

倘若您有什么疑問或是對我公司有任何
的意見和建議都可通過:
的意見和建議都可通過:
公司名稱: 鞏義市西村鎮華豐給排水材料廠
公司地址: 河南省鞏義市西村開發區
電話: 0371-64033589
手機: 18638168566,13683712868
13783416000(技術)
聯系人: 王先生,位女士
郵政編碼: 451200
E-MAIL: 1696257948@qq.com
網址:http://www.anhuo8.com/
網址:http://www.anhuo8.com/
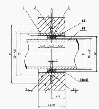
剛性密閉套管
標簽:該產品可按照客戶要求訂做,如需訂做請向客服提供您的參數表
華豐竭誠為您服務,熱線電話0371-64033589


我公司本著“誠信天下,服務客戶”的原則,竭誠為客戶提供優質的產品和完善的售后服務。剛性密閉套管是我公司管道的主打產品,立足于多年的實踐經驗,在市場中占有一席之地。
剛性密閉防水套管適用于管道穿墻處不承受管道振動和伸縮變形的構(建)筑物,適用于管道穿墻處空間有限或管道安裝先于構(建)筑物或管道的更新改造。對于有地震設防要求的地區,如采用剛性防水套管,應在進入池壁或建筑物外墻的管道上就近設置柔性連接。A型適用于鋼管,B,C型適用于球墨鑄鐵鋼管及鑄鐵管。
剛性密閉套管安裝說明
1、套管穿墻處如遇非混凝土墻時,應局部改用混凝土墻壁,其澆注范圍應比翼環直徑大200mm,而且必須將套管一次澆固于墻內。套管內的填料應緊密搗實。
2、穿管處混凝土墻厚小于200,否則應使墻壁一邊加厚或兩邊加厚。加厚部分的直徑至少為D4+200
3、套管的重量L=300計算,如墻厚大于300時,應另行計算。
4、柔性鋼制防水套管可根據用戶需要制作S312或者02S404標準,訂貨時請注明管外徑及適用墻厚。
材料表
1 | 法蘭套管 | 1 | Q235-A |
2 | 密封圈 | 1 | 氯丁橡膠 |
3 | 法蘭壓蓋 | 1 | Q235-A |
4 | 螺栓 | n | Q235-A |
5 | 螺母 | n | Q235-A |
6 | 鋼管 | Q235-A |
更多產品詳情可來電咨詢
聯系人:王先生 13783416000 魏女士 13683712868
上一篇:S312型剛性防水套管
下一篇:JGD/KXT德標高壓橡膠接頭
版權所有:華豐管道 地址:河南省鞏義市西村開發區 服務熱線:0371-64033589 管理入口E-MAIL: 1696257948@qq.com 手機: 18638168566,13783416000
網站備案/許可證號: 豫ICP備11026537號-5
豫公網安備 41910102000259號 技術支持:鞏義開啟網絡
本網站支持新廣告法,為不影響客戶瀏覽,頁面區域用詞正在排查修改,本店所有頁面絕對化用詞和功能性用詞在此聲明前全部失效,不接受不妥協任何形式的絕對化用詞和功能性用詞賠付,希望各位消費者理解,職業打假人高抬貴手。 網站備案/許可證號: 豫ICP備11026537號-5
