

倘若您有什么疑問或是對我公司有任何
的意見和建議都可通過:
的意見和建議都可通過:
公司名稱: 鞏義市西村鎮華豐給排水材料廠
公司地址: 河南省鞏義市西村開發區
電話: 0371-64033589
手機: 18638168566,13683712868
13783416000(技術)
聯系人: 王先生,位女士
郵政編碼: 451200
E-MAIL: 1696257948@qq.com
網址:http://www.anhuo8.com/
網址:http://www.anhuo8.com/
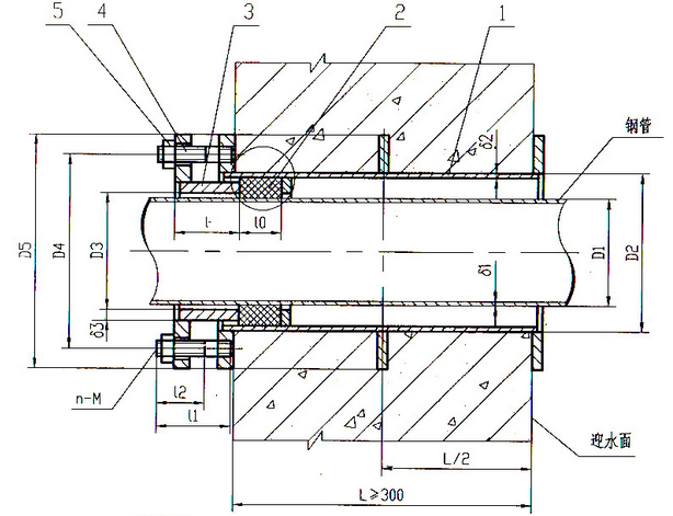
兩側防護柔性密閉防護套管
標簽:該產品可按照客戶要求訂做,如需訂做請向客服提供您的參數表
華豐竭誠為您服務,熱線電話0371-64033589


名稱:兩側防護柔性密閉套管
型號:04FS02型
兩側防護柔性密閉套管用途: 適用于人防,地下工程,化工,鋼鐵,自來水,污水處理等管路穿墻壁要求嚴密防水之處。
兩側防護柔性密閉套管性能:
柔性密閉套管是為了解決有些地下工程需要管路穿墻而過,而通過處又有嚴密防水要求;還有些構筑物也需要管路穿墻而過,同時又限制管路不能因溫度變化或外力產生伸縮和位移,更不允許管路在外在因素作用下產生振動而設計制作的。它的外殼一次性澆注在墻壁上,管子從套管中間通過,管子外徑與套管中間用填料密封,起到了防水和減振作用。
兩側防護柔性密閉套管材質:
1、 柔性密閉套管是按照國家標準04FS02制造生產,材料采用Q235-A。
2、 柔性填料材料:瀝青麻絲,聚苯乙稀板,聚氯乙烯泡沫塑料板。
3、 密封膏:聚硫密封膏,聚胺脂密封膏。
DN | D1 | D2 | D3 | D4 | D5 | Ⅰ | Ⅰ1 | Ⅰ2 | D1 | D2 | D3 | n-M | |
Ⅰ0 | |||||||||||||
50 | 60 | 95 | 65 | 145 | 200 | 65 | / | 72 | 30 | 3.5 | 4 | 8 | 4-M12 |
65 | 76 | 114 | 80 | 165 | 220 | 65 | 25 | 72 | 30 | 3.75 | 4 | 8 | 4-M12 |
80 | 89 | 127 | 95 | 180 | 235 | 65 | 25 | 76 | 38 | 4 | 4 | 10 | 4-M16 |
100 | 108 | 146 | 114 | 200 | 255 | 65 | 25 | 76 | 38 | 4 | 4.5 | 10 | 4-M16 |
125 | 133 | 180 | 140 | 235 | 290 | 65 | 25 | 76 | 38 | 4 | 6 | 10 | 6-M16 |
150 | 159 | 203 | 165 | 260 | 215 | 65 | 25 | 76 | 38 | 4.5 | 6 | 10 | 6-M16 |
200 | 219 | 265 | 226 | 320 | 375 | 65 | 25 | 76 | 38 | 6 | 6 | 10 | 6-M16 |
250 | 273 | 325 | 280 | 380 | 435 | 65 | 25 | 76 | 38 | 8 | 8 | 10 | 8-M16 |
300 | 325 | 377 | 333 | 435 | 495 | 72 | 30 | 90 | 46 | 8 | 10 | 10 | 8-M20 |
350 | 377 | 426, , | 385 | 485 | 545 | 72 | 30 | 90 | 46 | 10 | 10 | 10 | 8-M20 |
400 | 426 | 480 | 435 | 540 | 600 | 72 | 30 | 90 | 46 | 10 | 10 | 10 | 12-M20 |
450 | 480 | 530 | 488 | 590 | 650 | 72 | 30 | 90 | 46 | 10 | 10 | 10 | 12-M20 |
500 | 530 | 585 | 538 | 645 | 705 | 72 | 30 | 90 | 46 | 10 | 10 | 10 | 16-M20 |
600 | 630 | 690 | 640 | 755 | 820 | 75 | 30 | 104 | 54 | 10 | 10 | 12 | 16-M24 |
700 | 720 | 780 | 730 | 845 | 910 | 75 | 30 | 104 | 54 | 10 | 10 | 12 | 20-M24 |
800 | 820 | 880 | 830 | 950 | 1020 | 80 | 40 | 117 | 60 | 10 | 10 | 12 | 20-M27 |
900 | 920 | 980 | 930 | 1050 | 1120 | 80 | 40 | 117 | 60 | 10 | 10 | 12 | 20-M27 |
1000 | 1020 | 1080 | 1030 | 1150 | 1220 | 80 | 40 | 117 | 60 | 10 | 10 | 12 | 24-M27 |
更多產品詳情可來電咨詢
聯系人:王先生 13783416000 魏女士 13683712868
上一篇:浙江補償器客戶
下一篇:加長加翼環柔性防水套管
版權所有:華豐管道 地址:河南省鞏義市西村開發區 服務熱線:0371-64033589 管理入口E-MAIL: 1696257948@qq.com 手機: 18638168566,13783416000
網站備案/許可證號: 豫ICP備11026537號-5
豫公網安備 41910102000259號 技術支持:鞏義開啟網絡
本網站支持新廣告法,為不影響客戶瀏覽,頁面區域用詞正在排查修改,本店所有頁面絕對化用詞和功能性用詞在此聲明前全部失效,不接受不妥協任何形式的絕對化用詞和功能性用詞賠付,希望各位消費者理解,職業打假人高抬貴手。 網站備案/許可證號: 豫ICP備11026537號-5
